Несколько слов о выборе радиаторов
Самые «модные» радиаторы – биметаллические и алюминиевые. Они отличаются хорошей теплоотдачей, хорошо выглядят, а биметалл еще и прослужит многие годы. Сталь уступает алюминию и биметаллу по всем показателям, а вот старый добрый чугун – вполне приемлемый вариант. При выборе следует ориентироваться не только на показатели теплоотдачи, но и на устойчивость материалов к коррозии, долговечность.
Проще всего выбрать радиаторы для частного дома с автономным отоплением. Владелец может сам контролировать качество теплоносителя, а мощных гидравлических ударов в системе не бывает. Для дома можно выбрать любой вид радиаторов. Чугунные – дешевле и долговечнее, но более сложные монтаже и менее экономичные. Алюминий обойдется дороже и прослужит меньше, зато приборы из него теплоэффективны и очень красивы.
Если планируется комбинированная система в доме или квартире с централизованным отоплением, то выбор невелик – либо биметалл, либо чугун. Отопительные приборы из этих материалов достойно справляются с гидроударами и воздействием химически активного теплоносителя.
Если средства позволяют, лучше остановиться на биметаллических моделях. Лучшие европейские бренды – Sira, Global Style, Radena, Regulus-system. Радиаторы этих торговых марок адаптированы для рынка стран СНГ. Среди российских производителей Rifar вне конкуренции. Все модели собраны из качественных материалов по западным технологиям. Особенно популярна модель Rifar Monolit, по характеристикам не уступающая лучшим «итальянцам», зато гораздо более дешевая.

Благодаря удачному сочетанию материалов биметаллические модели долговечны, устойчивы ко всем видам воздействий и эффективны. При включении отопления они почти сразу начинают отдавать тепло, т.к. объем теплоносителя небольшой и корпус прогревается почти мгновенно. «Бонус» — стильный внешний вид
Схема с трехходовым клапаном
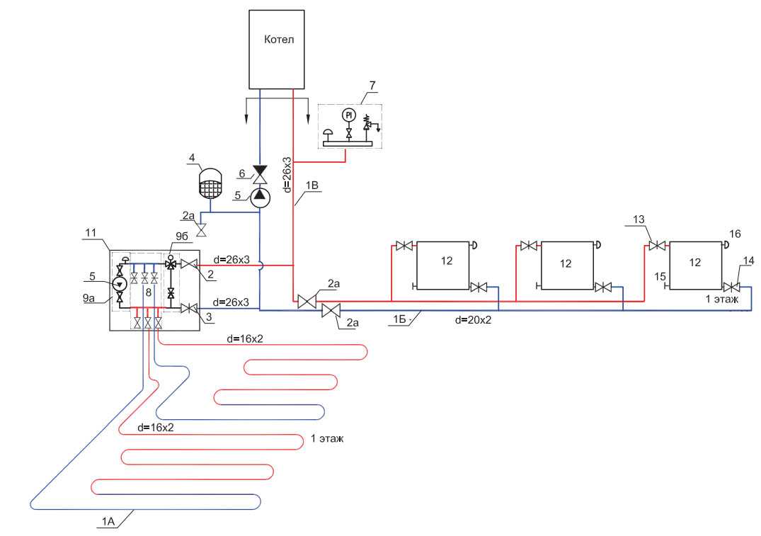
В подавляющем большинстве домов монтируют именно эту комбинированную систему теплых полов.
![]()

Спецификация материалов и оборудования

Она включает в себя:
наличие радиаторов отопления с нагревом до 70-80С
отдельный контур ТП со средней температурой воды в 40С
Главный вопрос здесь — как получить из 80 градусов идущих на батареи, поток воды для теплых полов в два раза меньшей температуры.
Проблема решается при помощи трехходового термостатического клапана.
Монтируется он на подающей трубе. При этом после него не забудьте поставить циркуляционный насос.
Более холодная вода берется из обратки теплого пола. Смешиваясь с горячей водой поступающей из котла, теплоноситель и приобретает пониженную температуру, необходимую для напольного отопления.
Недостатком такой схемы является то, что вы не сможете точно ограничить и отрегулировать поток остывшей воды из обратки. Чем это чревато?
Тем, что в трубки теплых полов периодически будет попадать как слишком остывшая вода, так и наоборот — перегретая сверх нормы.
Эффективность и комфорт всей системы из-за этого страдает.
Непридирчивый человек этого может и не заметить, тем не менее данные перепады температуры в этой схеме присутствуют, и от них никуда не деться. Конечно, временные отрезки подачи горячего и непрогретого теплоносителя могут компенсироваться тепловой инерцией бетона стяжки.
Но это все относительно. Никогда точно не рассчитаешь оптимальную толщину при таком обогреве.
Достоинства такой комбинированной схемы с трехходовым клапаном:
простой монтаж
доступная цена оборудования
Такой способ монтажа себя оправдывает, если у вас квартира или дом небольшой площади. Да и завышенными требованиями к суперкомфортным условиям проживания вы не страдаете.
Что такое подключение твердотопливного и газового котла в одну систему
Подключение твердотопливного и газового котла в одну систему решает для владельца вопрос с топливом. Котел на одном топливе неудобен тем, что если своевременно не пополнить запасы, можно остаться без отопления. Комбинированные котлы дороги, а если такой агрегат сломается всерьез, станут неосуществимы все предусмотренные в нем варианты отопления.
Возможно, у вас уже есть твердотопливный котел, но вы хотите перейти на другой, более удобный в использовании. Или имеющемуся котлу не хватает мощности, нужен еще один. В любом из этих случаев потребуется подключение твердотопливного и газового котла в одну систему.
Особенности подключения двух котлов
Подключение двух котлов в одну систему отопления создает трудность при их совмещении: газовые агрегаты эксплуатируются в закрытой системе, твердотопливные – в открытой. Открытая обвязка ТД котла позволяет нагреть воду до температуры свыше 100 градусов, при критически высоком значении давления (что такое обвязка котла твердотопливного).
Для сброса давления такой котел оснащают расширительным баком открытого типа, а с повышенными температурами справляются, спуская из этого бака часть горячего теплоносителя в канализацию. При использовании открытого бачка неизбежно завоздушивание системы, свободный кислород в теплоносителе приводит к коррозии металлических частей.
Два котла в одной системе – как их правильно подключить?
Есть два варианта:
- последовательная схема подключения двух котлов в одну систему отопления: сочетание открытого (ТД котел) и закрытого (газовый) сектора системы с использованием теплоаккумулятора;
- установка твердотопливного котла параллельно с газовым, с приборами безопасности.
Параллельная система отопления с двумя котлами, газовым и дровяным, оптимальна, например, для коттеджа с большой площадью: каждый агрегат отвечает за свою половину дома.
В этом случае необходим контроллер и возможность каскадного управления. При последовательной схеме подключения газового и твердотопливного котлов в одну систему получается как бы два независимых контура, соединенных теплоаккумулятором (что такое теплоаккумулятор для котлов отопления).
Двухкотловая схема очень широко применяется в последнее время, и интерес вызывает достаточно большой. Когда появляются два тепловых агрегата в одной котельной, сразу возникает вопрос, как согласовать их работу между собой. Попробуем ответить на вопрос подключения двух котлов в одну систему отопления.
Эта информация будет интересна тем, кто собирается построить свою котельную сам, кто хочет избежать ошибок и для тех, кто своими руками строить не собирается, но хочет донести свои потребности до тех людей, которые будут котельную собирать. Не секрет, что у каждого монтажника есть свои представления о том, как должна выглядеть котельная и часто они не совпадают с потребностями заказчика, а приоритетнее в данной ситуации желание заказчика.
Разберем примеры, почему в одном случае котельная работает в автоматическом режиме (котлы между собой согласовываются без участия потребителя), а в другом требуется, чтоб ее включили.
Здесь ничего не требуется, кроме запорной арматуры. Переключение между котлами осуществляется ручным открытием/закрытием двух кранов, расположенных на теплоносителе. А не четырех, чтоб полностью отсечь неработающий котел от системы. В обоих котлах чаще всего есть встроенные и выгоднее использовать их оба одновременно, потому что объем системы отопления очень часто превышает возможности одного расширительно бака, взятого в отдельности. Во избежание бесполезного монтажа дополнительного (внешнего) расширительного бака, не нужно отсекать котлы от системы полностью. Необходимо перекрыть их по движению теплоносителя и оставить одновременно включенными в расширительную систему.
Какие трубы подойдут для комбинированной системы отопления
Трубы выбирают с металлической прослойкой, которая препятствует излишнему расширению при нагревании
Изделия выбираются с учетом качества, стоимости, надежности, срока эксплуатации и простоты монтажа.
Медные трубы быстро нагреваются и эффективно отдают тепло, контуры из таких элементов отличаются отличными техническими характеристиками и стойкостью к коррозии, эксплуатируются 50–80 лет. Изделия стоят дорого, монтаж осуществляется только специалистами из-за сложности работы с медью.
Полипропиленовые трубы выпускаются с алюминиевым и стекловолокнистым армированием. В первом виде металлическая прослойка удерживает полимер от излишнего расширения. Требуется мастерство при сварке, т. к. часто происходит расслаивание материалов. Трубы со стекловолокном представляют прочные и качественные изделия за счет монолитности.
Металлопластиковые трубы отличаются приемлемыми показателями и применяются для радиаторного контура и теплого пола. Внутри располагается слой полипропилена с гладкими стенками, который не разрушается и не окисляется. Полиэтилен соединяется с алюминиевой трубой клеевой прослойкой. Монтируются изделия легко и не требуют специальных навыков, трубы гнутся, соединения выполняются прессовыми или резьбовыми фитингами.
Популярные схемы монтажа
При подключении есть несколько проверенных схем от специалистов, рекомендуемых к использованию новичками, выполняющими работы своими руками:
- Контур питается напрямую от радиаторного отопления. Способ прост и легок в монтаже, недорогой, но регулировать температуру невозможно. В стояке снижается количество теплоносителя (воды), что часто вызывает раздражение и гнев у соседей;
- Подключение на байпас через клапаны балансировки позволит снизить градус воды, который подается в отопительный контур. Трубы рекомендуются в 16 мм диаметром, при этом протяженность контура не более 70 м. циркуляционный насос в системе должен качать от 5 до 10 литров воды в секунду;
- Подключение через трехходовой клапан снижает расходы тепла в системе обогрева. Термостат в клапане регулирует подачу теплоносителя нужной температуры, как только температура снижается резко или ниже допустимых показателей подача перекрывается;
- Соединение двумя трехходовыми клапанами и запорным. Подача и градус воды регулируется через обратку, клапан не позволяет насосу качать воду впустую. При перегреве оборудование может сломаться, а вовремя остановленная подача тормозит работу системы и экономит владельцу расходы на будущий ремонт;
- Наиболее функциональный вариант – монтаж теплого пола с датчиком температуры выносного типа. Если вода в трубах перегревается, то автоматически блокируется ее подача в контур. По мере остывания циркуляция возобновляется. Система отопления такого типа обеспечивает переохлаждения квартиры и сбережет систему.
Виды систем для обогрева пола
Есть две принципиально разные системы, рассмотрим их сильные и слабые стороны. Выбор схемы повлияет на комфортность пребывания в жилых помещениях, имейте это в виду во время принятия решения, учитывайте не только технические параметры различных схем, но и особенности помещений и существующих отопительных систем.
Водяной теплый пол
Позволяет получать равномерный подогрев пола, совместим с некоторыми существующими системами отопления домов старой застройки. К недостаткам относится сложность оборудования и монтажных работ и высокая сметная стоимость. Кроме того, водяная система уменьшает высоту помещения минимум на 10 см за счет бетонной стяжки. Для создания монтажной схемы помещение разбивается на отдельные участки с учетом размеров и конфигурации пола, каждый контур должен иметь примерно одинаковую длину труб, в противном случае нагрев будет неравномерным по площади. В зависимости от технологии строительства водяной пол может иметь несколько схем монтажа.
-
По бетонному основанию. Состоит из слоя теплоизоляции по бетонному основанию, металлической сетки для укладки труб, трубопроводов, верхней стяжки и финишного полового покрытия.
Укладка пенополистирола
Разводка труб
Укладка сетки
Крепление трубы к сетке
-
Полистирольная. Более современный метод укладки водяного теплого пола, цементно-песчаной стяжки делать нет надобности. На теплоизоляционный слой укладываются специальные полистирольные плиты с местами для фиксации пластиковых трубопроводов. Готовая разводка накрывается гипсоволоконными плитами, на которые укладывается финишное половое покрытие.
Маты IPS, укладка
Маты для теплого водяного пола
Общий недостаток водяного подогрева пола – аварийные ситуации имеют очень серьезные последствия. Наиболее сложные элементы водяного теплого пола смесительный узел и коллектор.
Описание видов смесительных узлов
Смесительный узел обеспечивает постоянную и сбалансированную циркуляцию нагретой воды по уложенным контурам, изменяет скорость движения, самостоятельно поддерживает заданную температуру нагрева пола и теплоносителя. В зависимости от конструкционных особенностей может иметь несколько видов:
- с последовательным соединением водяного насоса и двухходовым термоклапаном;
- с последовательным соединением водяного насоса и трехходовым термоклапаном;
- с последовательным соединением водяного насоса, трехходовой термоклапан функционирует со сходящимися в одном узле потоками;
- с параллельным присоединением водяного насоса, термоклапан двухходовой;
- водяной насос подсоединен параллельно, термоклапан трехходовой.

Смесительный узел для теплого пола
Каждая схема имеет свои особенности, подбор осуществляется с учетом технических параметров и количества контуров подогрева.

Разводка труб для радиаторов и теплого водяного пола
Распределительные коллекторы
Предназначены для подключения в одном месте всех отопительных устройств системы подогрева пола. В зависимости от номенклатуры и количества дополнительного специального оборудования могут быть простыми и усовершенствованными. Простые не имеют никакой арматуры и служат только для соединения фитингов. Усовершенствованные имеют датчики контроля, устройства исполнения, измерительные приборы и т. д.
Электрический и инфракрасный теплый пол
В электрических системах проводка делается кабелями, нагревающими половые покрытия. Этот вариант считается устаревшим, компании-производители предлагают более современное решение теплых полов с использованием электроэнергии – инфракрасные. Для подогрева применяются специальные пленки с карбоновыми нагревательными элементами.

Инфракрасный теплый пол
Преимущества теплых полов с подогревом электроэнергией – простота монтажа и отсутствие мокрых этапов.

Монтаж инфракрасного теплого пола
Еще одно достоинство – терморегулятор можно установить в любом незаметном месте, габариты устройства всего несколько сантиметров.

Установка терморегулятора

Крепление подключенного терморегулятора
Для подогрева помещений требуется, чтобы нагреватели имели максимальную мощность в пределах 100 Вт на квадратный метр, а среднее значение потребляемой мощности 20–40 Вт. Такие эксплуатационные характеристики существенно упрощают процесс монтажа, незначительное увеличение потребления электрической энергии часто не требует предварительных согласований с владельцами компаний. Именно для этого варианта дадим пошаговую инструкцию установки.
Какие отопительные приборы выбрать?
Для газифицированных населенных пунктов этот вопрос не актуален, поскольку газ был и остается самым дешевым и доступным топливом. Установка качественного конденсационного котла решает проблему. А вот в местностях, где поблизости нет магистрали, выбор обычно сводится к твердому или жидкому топливу.
Сжиженный газ, как показывает практика, не выход, т.к. отопление обходится слишком дорого независимо от того, насколько экономичным будет котел. Но «для подстраховки» можно приобрести газовую модель, которую легко переоборудовать под отопление сжиженным газом, просто сменив форсунку.
Если у владельца дома есть возможность покупать солярку ниже рыночной стоимости, то жидкотопливный котел – хороший вариант для отопления дома большой площади. Если же такой возможности нет, то лучше всего остановиться на твердотопливном котле длительного горения.
При проектировании схемы отопления с теплым полом и радиаторами нужно учитывать, что напольный обогрев более экономичен. Но это не значит, что радиаторы бесполезны. Их задача – создавать тепловую завесу возле окон и предотвращать остывание дома. При правильном выборе элементов системы и продуманном контроле отопление будет максимально эффективным и при этом относительно недорогим.

Конденсационный котел – самое выгодное решение для частного дома. КПД устройств существенно выше привычных котлов, а топливо расходуется экономнее. Конденсационные модели энергозависимы, т.к. оснащены системами электронного розжига. Дополнительно отопление оборудуют насосами для принудительной циркуляции теплоносителя
Преимущества и недостатки теплого пола от существующего отопления
Устройство водяного теплого пола по данной схеме имеет несколько преимуществ:
- оптимальный и равномерный прогрев всей поверхности пола, который достигается внедрением в конструкцию дополнительных устройств регулировки;
Схема подключения водного теплого пола к центральной системе через отдельный ввод
- создание комфортной среды в помещении. Все тепло концентрируется снизу, а холодный воздух размещается у потолка. Такая схема считается более комфортной для любого человека;
- для устройства все элементов используется материал, который не поддается коррозии и разрушению на протяжении длительного периода времени при соблюдении всех правил монтажа;
- при установке теплого водяного пола снижается движение воздушных масс в помещении, что уменьшает количество пыли. Это положительно сказывается на организме людей, которые страдают от аллергии;
- используя один источник для напольного и обычного отопления можно существенно сэкономить на монтаже и количестве дополнительных агрегатов для их нормального функционирования;
Недостатком данной конструктивной схемы считается невозможность ее применения в многоэтажных домах с централизованным отоплением. Также могут возникнуть некоторые трудности во время монтажа всех элементов. Но если учитывать все рекомендации, сделать это не так сложно.
Преимущества и недостатки теплого пола
Главные особенности в теплых полах – это их тепловая инерция и слабо нагревающаяся поверхность. При обогреве пола достигается комфортная для человека температура в 25-25 градусов тепла, что ниже радиаторного обогрева минимум в два раза. Прогрев полов происходит равномерно.
Комфорт из-за равномерного прогрева пола позволяет ногам быть в тепле, при этом голове будет прохладно. Для человека такое соотношение называется тепловым комфортом и признается оптимальным; Экономичность установленной системы позволяет сэкономить много тепла – до 85%, что отразится в первую очередь на счетах за коммунальные услуги; Эстетичность теплого пола однозначна – радиаторы на стенах, даже в современном исполнении придется скрывать предметами мебели. Управление температурой происходит из соседней комнаты или другого помещения – котельной или коридора; Отсутствие вредных испарений при нагреве, нет плавающих частиц пыли. Греющий контур находится внутри пола, поэтому в нагревательных элементах не будет скапливаться пыль; Влажность воздуха повышается из-за отсутствия пересушивания от батареи
Слизистые в горле и носу не пересыхают, что крайне важно, если в доме есть дети. К недостаткам теплых полов можно отнести высокую стоимость установки, возможность ошибки при монтаже непрофессионалами, ограничение на использование напольных покрытий
Внутри комнаты с теплыми полами не кладут ковры или ковролин
К недостаткам теплых полов можно отнести высокую стоимость установки, возможность ошибки при монтаже непрофессионалами, ограничение на использование напольных покрытий. Внутри комнаты с теплыми полами не кладут ковры или ковролин.
Тепловая инерция пола с обогревом также считается недостатком, поскольку остывает прогретая стяжка довольно долго. Основание нужно хорошо теплоизолировать, чтобы контур не направлял потоки вниз. При поломках ремонт по сложности и затратам близок к установке новой системы.
Что такое комбинированная система обогрева
Здравствуйте всем моим читателям! В этой публикации я вам расскажу коротко о комбинированных отопительных системах. Они сейчас достаточно распространены и используются везде. Очень может быть, что и вы захотели выполнить такую в своем доме. Не буду вас мучать длинными вступлениями и сразу перейду к делу!
Комбинированная система обогрева – это система обогрева (дальше СО ), в которой используются несколько вариантов обогревания помещения. К примеру, это может обогрев помещения с помощью печи и электроконвекторов. Последние применяются очень часто для подогрева помещения после того, как прогорит горючее в печи. Заместо дизайн радиаторов может применяться пол с подогревом электрического образца или климатический прибор, действующий на обогрев. Ну и совсем экзотическим будет вариант СО с традиционным котлом отопления и насосом для отопления.
Комбинированной можно считать можно считать СО, в которой применяется два или более отопительных аппарата, которые работают на разном топливе. Так, к примеру, у нас в государстве популярна схема, в которой ключевой котел на газу дублируется твердотопливным или электрическим. При этом, я считаю, что твердотопливный вариант тут лучше. Так как свет и газ могут бездна одновременно, а твёрдое горючее можно всегда иметь рядом на данный случай. Если в вашей СО применяется в принудительном порядке циркуляция носителя тепла, то вам понадобится источник бесперебойного питания для поддержки работы циркулярных насосов и автоматики.
Ну а если вы хотите полной автономности от внешнего мира, то здесь можно создать две вещи:
- Гравитационная система обогрева – тепловой носитель в ней двигается под воздействием силы тяжести.
- Печь – помещение нагревается излучением от самой печи, которая выполняется из кирпича.
У данных вариантов существуют собственные минусы и плюсы, но про это мы побеседуем отдельно в следующих статьях этого блога. А сейчас необходимо рассмотреть более распространённую комбинацию способов обогревания помещения.
Система обогрева “отопительные приборы плюс пол с подогревом”.
Стоит сразу сказать, что такой вариант в настоящий момент используют везде, где это только возможно. Ее известность поясняется повышением комфортности проживания в приватном доме. Вы можете забыть о тёплых носках и тапочках и просто ходить по комфортабельному полу с подогревом.
Суть такой СО заключается в том, что потери тепла помещения разделяются между отопительными приборами (или прочими устройствами теплоснабжения) полом с подогревом. Тут в паре работают высокотемпературное и низкотемпературное теплоснабжение. Если кто не в курсе, то напомню, что температура носителя тепла в отопительных приборах может дойти до 90 градусов, то тёплых полах она не должна быть больше 50. Это дает возможность добиться оптимальной температуры напольной поверхности.
К большому сожалению у нас в государстве много людей, которые любят в первую очередь сделать, а лишь потом подумать… Ну, или вообще никогда не подумать. Так вот, данные люди подсоединяют теплые гидравлические полы (ВТП) без группы независимой циркуляции (ее называют еще смесительным узлом). В результате по трубам начинает циркулировать нагретая до 70-80 градусов вода, а напольное покрытие начинает обжигать ноги. Разумеется, вы со временем привыкните ходить ро дому в пляжных тапочках, но лучше все с самого начала сделать по правилам. Для лучшего понимания предлагаю вам прочесть публикацию про распространенные ошибки при укладывании полов с подогревом.
Не считая ВТП используют полы с подогревом электрического образца. В большинстве случаев будет намного дешевле положить в стяжку провод или мат применяемый для нагрева, чем тащить трубы и делать ящики для коллекторов. Возрастут только счета за электричество, но с данным порой можно примиряться.
Итоги публикации.
В конце концов необходимо заявить, что использовать комбинированные системы обогрева можно и необходимо. Начать тут необходимо с проекта. Правильно изготовленный проект поможет уменьшить затраты на монтаж и эксплуатацию. Рубить с плеча и делать как у соседа тут не стоит, иначе можно “пролететь” на платежах за электричество, газ или уголь. На этом прервусь! Жду ваших комментариев и вопросов
Отопление ‘target=»_blank»>’)





























